
起重機船やSEP船を用いて床版を撤去・架設
国交省京浜港湾 横浜港南本牧はま道路を8か月弱で復旧
枠製作を急がせた 桁は1本ずつ架設 壁高欄は現場打ち
キャンバー調整は調整コンではなくアスファルトで施工し工期短縮
PC桟橋部の製作・架設
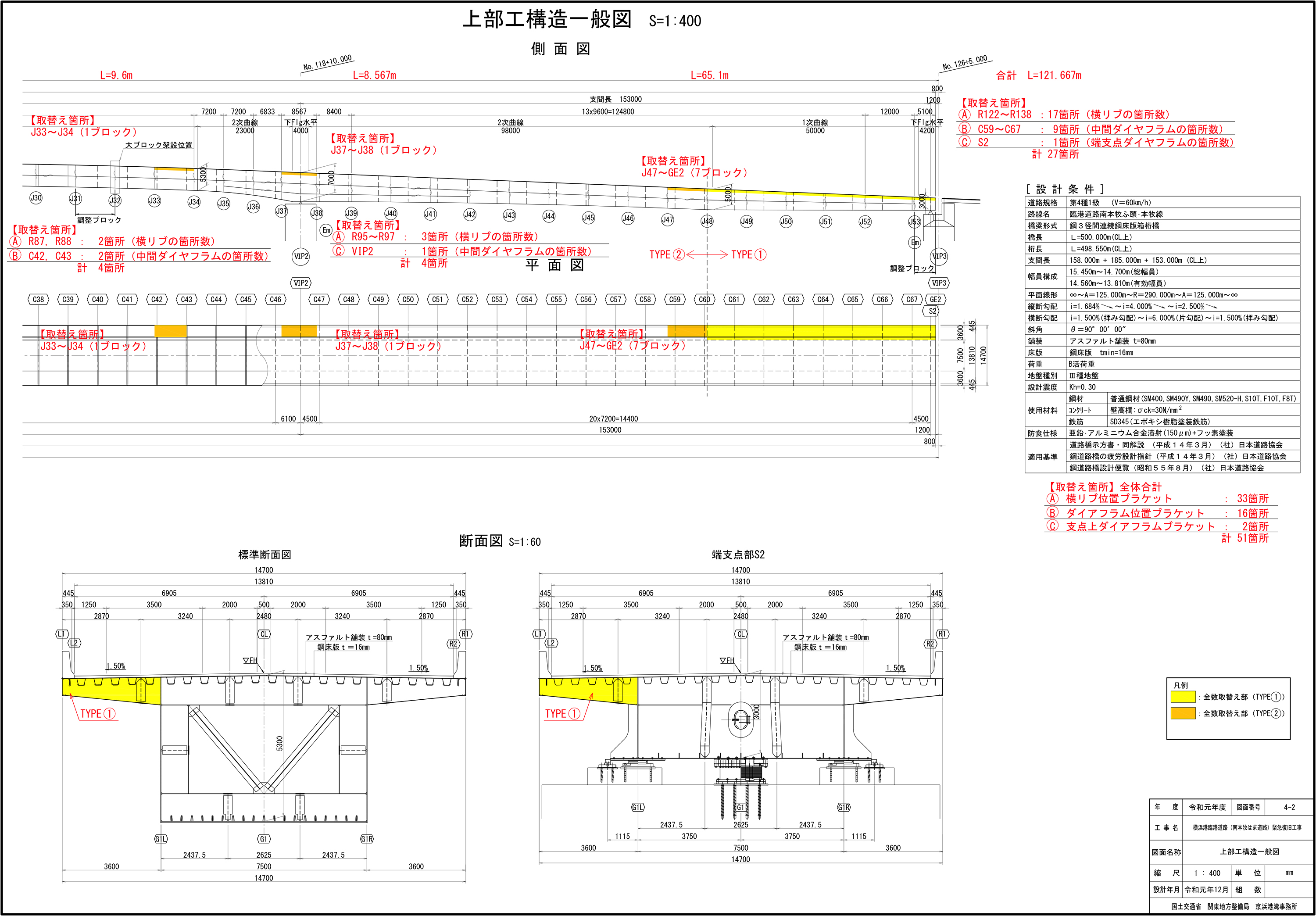
桁製作は、一日も早い復旧を目指すために早急に行う必要があった。そのために急がせたのが型枠の製作である。支間中央はJIS桁で形状的に問題はないが、ハンチ部は場所によって形状が変わるため「その特殊な形状に一致する型枠の製作を急がせた」(五洋建設)。また、エポ鉄筋の手配も苦労して急がせた(最終的に71tを必要とした。)。また、通常では一箇所の工場で賄える量であるが、早期復旧を目指すため、ピーエスコンクリートの北上工場および茨城工場の2工場で製作した。
PC桁下面は海上部のため、撤去した桁は防食塗装されていたが、取替桁も踏襲した。通常は塗装後に屋外の仮置きヤードで自然乾燥させるが、今回は冬季に製作するため乾燥が通常より遅くなってしまう。そのため屋外仮置きヤードを養生シートで覆い、ジェットヒーターをかけて乾燥させた。
受梁部の補修、支承の交換を終えた後、PC桁の架設を行った。新設時は架設箇所に並行して設置された仮設桟橋上から施工していたが、今回はそれがない。そのため鋼製台船に新しいPC桁を載せ、200t吊クローラクレーンを搭載したSEP船(自動昇降式作業台船、第一建設機工所有『SEP ASO』)を橋梁近傍に配置し、PC桁を順次架設していく。SEP船は海上風力発電などで使用される特殊な台船である。4本の自動昇降可能な足を有しており、これで支えることにより波浪などによる影響を受けず迅速な施工が可能となる。PC桁は1本ずつ架設し、全PC桁を架設した後に間詰コンクリートの打設、横締め緊張、グラウト充填を行う。隣接する径間の緊張までの工程が完了した後に径間同士をコンクリート打設して連結する。その後、壁高欄の施工~舗装など一連の作業を行っていく。壁高欄は、ここでは現場打ちを採用する。
PC桟橋部の舗装については、新設時の工事については、PC桁のキャンバー調整のため、コンクリートを打設した。しかし、今次工事ではこの打設養生の時間も惜しい。そのため、今回は、調整コンクリートではなく、アスファルト舗装で高さ調整して工期を短縮した。
鋼床版張出部撤去のためウェブ側面に足場ブラケットを設置
SEP船を用いて切断・撤去
鋼床版(撤去)
舗装、道路照明灯、壁高欄はPC桟橋部と同様の手法で撤去した。また損傷した検査路については吊足場によらず大型橋梁点検車(BT-400)を使用して撤去することで、工期を短縮した。
さて、鋼床版張り出し部の撤去のために、箱桁のウェブに足場ブラケットを設置し、張出足場を作らねばならない。その上で損傷した鋼床版を、PC桁同様SEP船上のクローラクレーンを用いて、切断対象となる部分を吊った状態にした上でガス切断し、そのまま橋面上に仮置きし、トラックに積み込んで搬出した。火災予防のために切断面を素地調整して塗装を除いた上で施工するなど安全面に配慮した。
切断に際しては、精度よくかつ新設鋼床版との現場溶接となる切断面を滑らかにするため、通常は工場製作に使用するポータブル自動ガス切断機を現場で用いた。さらに死荷重が作用した状態で切断を行うため、橋軸と橋軸直角の2方向の切断が交差する箇所にて撤去後に残る既設鋼床版には、撤去する鋼床版が負担していた死荷重応力が再配分されることに伴う、局所的な応力集中が見込まれた。そこで切断施工の前に当該部位の残る側の既設鋼床版に補強板を設置する対策とともに、鋼床版の切断角面を滑らかなR形状にし、応力集中を緩和した。
鋼床版の切断状況② 鋼床版の切断角面を滑らかなR形状にし、応力集中を緩和した
鋼床版の撤去状況
既設桁との接合は基本的に溶接を採用
防食仕様は溶射
鋼床版(製作・架設)
鋼床版の製作は、損傷個所の撤去を終了させた後に、撤去箇所の寸法を実測して、新たな部材を工場で製作するものだが、それでは5月の復旧には間に合わない。そのため撤去と工場製作を同時並行した。それを可能にするため、工場の生産チームを現地に配置し、現地計測データを即座に製造データへ反映することで、適切な寸法の部材の製作に努めた。鋼床版の製作は、PC桁同様1箇所の工場で賄えたが、これも早期復旧のため、川田工業の四国工場及び富山工場、JFEエンジニアリングの津製作所の3工場で製作した。
鋼床版の架設は、一部を除いて海上から施工する。まず桁にエレクションピースを設け、それに、パネル(最大約9t)をボルト接合で仮固定する。既設部分とはサブマージアーク溶接及びガスシールドアーク溶接(Uリブおよびブラケットは高力ボルト接合)するため、溶接施工前の開先加工やバリなどの除去は入念に行った。また、桁端部の段落とし部は既設構造との取り合いが複雑かつ作業空間が狭隘だ。製作時に予め張出部を一体化することで縦シームの現場溶接を2線から1線に省略した。さらに新たなブロックを設けることで端部ブロックを小型化し、輸送可能なサイズとし、現場施工性を向上させた。さらに桁端部の主桁ウェブと鋼床版デッキとの現場溶接作業を可能にするため、鋼床版デッキ縦リブの一部を、あえて現場において後付けとし、作業空間を確保した。
鋼床版の架設状況

桁端部ブロックの施工を簡易化した
鋼床版のガスシールドアーク溶接
鋼床版のサブマージアーク溶接
溶接後の検査も入念に行った。UT(超音波探傷検査)はもちろん、溶接の内部欠陥が起きていないかを確かめる調査のためにX線検査を実に620枚現場で実施した。特に鋼床版の溶接部は、横リブがスカーラップを通る非常に狭い部分を有する。そこにまっすぐにX線フィルムを当てるため、既存のフィルム(80㎜)を幅方向に切って60㎜に縮め、正確に検査できるようにした。加えてフィルムマークも小型のものを用いている。
X線検査を実に620枚現場で実施じた
(既存のフィルム(80㎜)を幅方向に切って60㎜に縮め、正確に検査できるようにした)
UTの実施状況
側縦桁設置の際の施工性・安全性を向上させるため専用の治具を製作し、現場仮設の取付精度を確保している。
下部工検査路の一部撤去に伴い、開口部となっている検査路端部については、転落防止のため行き止まり構造にする必要があった。既設歩廊が分断された端部に手摺りを増設するため、新規に準備したFRP製のいくつもの形鋼やプレートを組み合わせてブラインドリベットで接合して、既設歩廊に手摺りの支柱を増設し復旧している。
防食は取替前の鋼床版同様に溶射を施しているが、溶接部についても現場で溶射を行う。その後、壁高欄の現場打設から舗装まで一連の工程はPC桟橋部と同様に施工する。
4月に入ってから、雨天が多く、ボルト接合で仮固定した鋼床版の溶接、溶射、塗装作業が遅れ気味となったが、作業員を増員して期日に間に合わせることができた。
今次のような橋桁や橋脚への船の衝突を防ぐために、同橋のPC桟橋部とP2およびP3の橋脚近傍に対して、鋼管杭基礎のジャケット式防衝工を設置する。今年度に実施する予定だ。
元請は五洋建設。一次下請は大新土木(撤去工、PC橋工、橋梁下部復旧工、橋梁付属物工)、川田工業(鋼構造物工(鋼床版製作・架設))、五栄土木(PC桁撤去工(自航式500t吊起重機船『CP-5001』))、ピーエス三菱(PC桁製作・架設)、南信重機興業(クレーン工(SEP台船上クローラクレーン))、横浜電業(道路照明工)。二次下請は、大隅工業(撤去工、橋梁付属物工)、第一カッター興業(撤去工)、石和工業(撤去工)、羽友建設(撤去工、橋梁付属工)、産興建設(撤去工、橋梁付属物工)、太地建設(撤去工)、杉田産業(撤去工)、タカミヤ(足場工)、プラテクス(橋梁下部復旧工)、前野鉄筋工業(鉄筋工)、楠原輸送(クレーン工(PC桟橋部))、第一建設機工(鋼床版撤去・架設、PC桁架設(SEP台船『SEP ASO』))大矢運送(クレーン工(SEP台船上ラフタークレーン)、東洋船舶工業(資材台船運航)、親和架設工業(鋼構造物工(足場工、撤去工、鋼床版仮設工))、島川工業(溶接工)、ダンテック(溶接個所非破壊検査工)、新免鉄工所(現場金属溶射)、y’s(現場塗装工)、山城システム(クレーン工(鋼床版部))、明巧(PC桁架設工、足場工)、日本道路(舗装版撤去工、舗装工)。
(2020年5月26日掲載)





















