3.コンクリートスラブに直接レールを締結した構造で、立体交差を可能にしたプロジェクト
これから紹介するプロジェクトは長い間検討が続けられてきましたが、なかなか解決策が見つからなかったものです。
池袋駅にて埼京線と山手貨物線が平面交差しており、これを何とか解消して、埼京線の混雑緩和と、湘南新宿ラインの増発を可能にする目的のものです。田端方において山手貨物線の上を埼京上り線が乗り越えることにより両線を立体交差化し、合わせてホームを方向別化し、新宿方での平面交差を解消するプロジェクトとして実施されました。
立体交差の場所を各種検討していましたが、いずれも難しく、なかなか決まらない状況でした。採用した案も構造的に難しい条件でした。
立体交差箇所で、山手貨物線の上で埼京線を支持する構造物の造れるスペースは25cm程度に抑えられています。そのため、山手貨物線の構造形式を箱型とし、その上スラブ上を埼京線が通る構造としました。それでも、上スラブ上にバラストや枕木のスペースを取れません。箱型桁の上スラブに、スラブ軌道の締結装置の取り付けの治具を埋め込み、タイプレートを取り付け、それにレールを取り付ける構造としました。いわば、軌道スラブ版を箱型桁の上スラブと兼ねたような構造です。薄い上床スラブに直接タイプレートを取り付けてレールを締結する構造として、この立体交差を可能としました。軌道をメンテナンスする立場からは抵抗されますし、かつ施工精度が要求される構造で、施工側にも喜ばれない構造でしたが、これ以外に可能な方法が見つからず採用しています。
工事は2000年度に着手し、2002年に第1回の線路切り替え工事、2003年に第2回、2004年に第3回の切り替え工事にて完了しています。これにより、池袋駅構内の田端方にて山手貨物線と埼京上り線が立体交差化になり、ホームが方向別化され、新宿方の平面交差が解消されました。
図-4は工事終了後の配線状況です。

図-4 完成時の線路平面と、交差部の縦断線形
図-5に線路の切り替えの順序を示します。

図-5 切り替え手順図
図-6に立体交差部のボックスカルバートの平面図を、図-7に断面図を示します。

図6 ボックスカルバート式高架橋平面図

図-7 ボックスカルバート式高架橋断面図
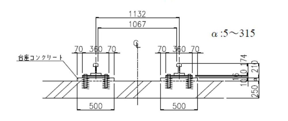
図-8はボックスカルバートの上床板のレールと締結装置を示しています。

図-8 コンクリート床版直結軌道
ボックス内を通る山手貨物線は、元の勾配のままとしています。その上を立体交差する埼京上り線は、ボックスカルバート終点側の池袋大橋の桁下空頭を確保するため、アプローチ部を最急こう配の35パーミリで上がりますが、埼京線の上では、両者のレールレベルの差が5.54mとなり、これから、ボックスカルバートの上床厚と軌道構造が制約されることとなります。さらに、トロリー線引き込み具を上床板に直結するなどして、山手貨物線の空頭を5.08m以上確保するようにしています。
写真-2は第1回の線路切り替え後、写真-3は第3回線路切り替え後を示します。

写真-2 第1回線路切替後

写真-3 第3回線路切替後
写真-4は工事終了後の状況です。

写真-4 立体交差部開業後
【参考文献】
1)岩佐高吉他;弾性バラスト軌道における門形マクラギ、弾性材の疲労試験結果について、SED No.15、JR東日本構造技術センター、2000.11
2)縄田晃樹他;池袋立体交差工事の設計・施工について、SED No.23 、JR東日本構造技術センター、2004.5
















.jpg)






