2.下部構造に重大な変状と大きな不安を抱えた橋梁の改修工事
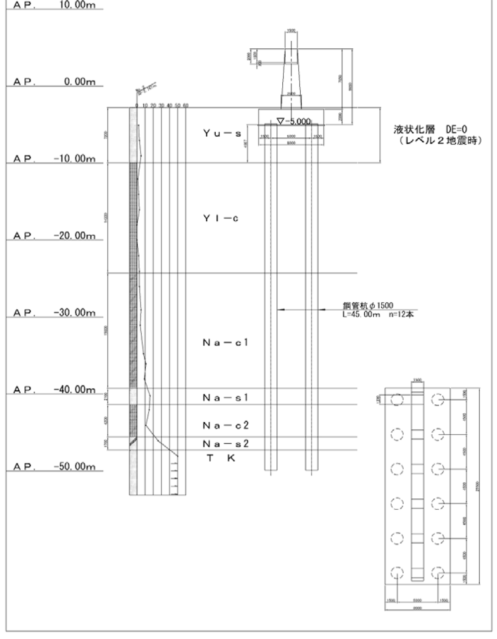
引継ぎの話を断られた建設・管理者は、管理引継ぎを依頼してきた数年後の昭和53年に私が想定したような改修工事を行っている。その工事概要は、橋脚の沈下、橋台の水平移動や鉄筋コンクリート床版の損傷等かなりの変状が表面化したことから止むを得ず行ったようである。工事を行うために、普通では考えられない3径間ゲルバー構造橋梁の供用を一時止めて、全面改修工事を行っている。交通規制できた理由は、1期橋梁と2期橋梁が分離構造であるからである。改修工事の内容は、鉄筋コンクリート床版の撤去、鋼床版への取り替え、既設橋台のピアアバット化、側径間(両側へ1径間増設)増設、既存橋台の増杭、新橋台の建設などである。これら、一連の改修工事は、死荷重の軽減、背面土圧の軽減、地震発災時の液状化現象への対応の目的で行われている。


写真-3 ピアアバット化した橋脚/写真-4 改修後も移動し続ける支承


図-3 改修された3径間鉄筋コンクリート床版ゲルバー鋼鈑桁橋/表2 改修詳細


図-4 3径間鉄筋コンクリート床版ゲルバー鋼鈑桁橋・橋脚構造/写真-5 1、2期線は分離構造
なぜここに紹介したような事態となったかである。当該橋梁の計画、基本設計発注時に当然周辺地盤を調査しているはずであり、その時に埋め立て地域の圧密沈下や液状化を予測し、それらに対応する設計を行っていればこのような事態とはならなかったはずである。今回紹介した話に似たような事例は全国多々ある。事前調査を十分に行わなかった事例、地質調査を下部工位置とは異なった地点で行い支持層推定線を技術者の勘で引いた事例、ボーリングデータを無視して設計した事例、調査結果を生かせず誤った係数で設計した事例など失敗事例はあげたら切がない。今回紹介した事例は、国内の何処かにある橋梁であるが、読者の多くの人にこれだけはお願いしたい、当該事例橋梁探しをしないことである。
3.橋梁工学を学ぶことは
私の尊敬している鈴木俊男先生(亡くなられる前に何度もお会いし、種々なお話をお聞きした東京都の先輩、工学博士)が成瀬勝武先生と執筆された書籍に「橋梁工学」がある。序文に「・・・橋の構造は一般に交通物の重量を直接支える上部構造と、上部構造を指示するために地盤上に築造される下部構造とからになっており、上部構造には主として鋼及びコンクリート構造が用いられている。したがって、橋の建設には、鋼及びコンクリート構造に関する技術だけでなく、橋を支持するために地盤中に設けられる基礎に関する技術も、また必要である。橋梁工学の習得は、そのため土木工学の広い範囲にわたる各種の専門的知識を学ばなければできないのであって、一つの専門課程を学習するだけで習得することは不可能である。・・・」と記述されている。
我々技術者は、設計基準や規定に書かれていることや条件を守ることにのみ注視し、技術者の本質である想像力を失いつつあるのではないだろうか。性能設計が必要との話はよく聞くが、性能を満たす設計を自ら行える技術者、外観でなく、本質で勝負できる技術者は本当に何人いるのであろうか。幅広い知識をコツコツ学び、幅広い知識を基に想像力を働かせ、それを実務に生かしてこそ真の技術者ではないのか。今回紹介した可哀そうな道路橋を設計した技術者、同様な設計や施工を行い、事実を隠している技術者には猛省を促したい。可哀そうなのは、当の道路橋である。
今回紹介した可哀そうな道路橋には、実は第2話がある。さて、どんな話となるか・・・期待されたい。
髙木千太郎氏報文シリーズ
⑮「アセットマネジメント、予防保全型管理について」
⑭ 「災害復旧と仮橋の位置」
⑬「有事に機能する真の技術者集団とは―現場で得る知識は100の技術書を読むより有益―」
⑫「モニタリングの現状と課題―持続力と議論が必要―」
⑪「想像力と博打根性」
⑩「橋梁形式選定についての私見と担当技術者への願い」
⑨「私見 勝鬨橋再跳開の可能性とその効果」
⑧点検はこれからが勝負
⑦PC桁の欠け落ち損傷
⑥溶接構造の品質保証について
⑤橋と景観
④独創のコツ、なぜ研修制度は機能しないのか
③「道路メンテナンス会議」は本当に機能し始めたのか
②「道路橋の変状と架け替え」について大きな疑問
-分かってますか?何が問題なのか-①









