耐震補強対象橋梁244橋は今年度に対策完了予定
ロッキングピア 山岳橋1橋を県で耐震補強工事実施
――耐震補強の進捗状況は
江連 昭和55年道路橋示方書より古い基準を適用した橋梁のうち、跨線橋、跨道橋および緊急輸送道路上の15m以上の橋梁244橋を対象として耐震補強(耐震性能3)を進めていて、今年度2橋の対策を行って完了となる見込みです。
今後は、緊急輸送道路上の15m以上の橋梁について、「兵庫県南部地震と同程度の地震においても軽微な損傷に留まり、速やかな機能回復が可能」(耐震性能2)となるように、国の方針に準じて耐震補強計画の策定を進めていきます。対象橋梁数は現在調査中となっています。
――今年度施工の2橋の耐震補強について教えてください
江連 鬼怒川に架かる国道121号・桑島大橋では、橋脚のRC巻き立ての上に鋼板巻き立てを行っています。もう1橋は栗山日光線・六方沢橋で制震ダンパーの設置などを実施しています。
桑島大橋 耐震補強対策前(左)/対策後(右)
――ロッキングピアは
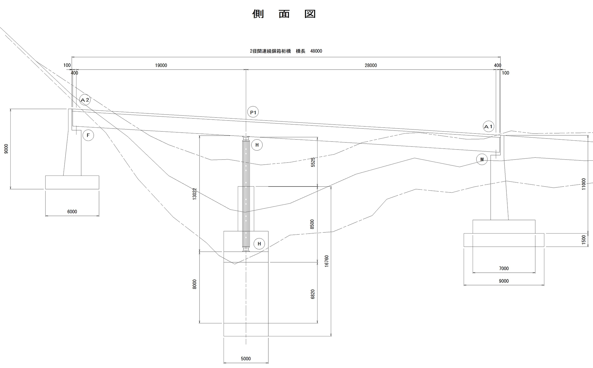
江連 県管理の橋梁で10橋あります。東北道の跨道橋が8橋、東武鉄道の跨線橋が1橋、山岳橋1橋となります。跨道橋はNEXCO東日本が詳細設計中で、跨線橋は東武鉄道と協議を進めています。山岳橋の川俣温泉川治線・丸山橋は県で耐震補強工事を実施します。同橋は橋長48.0mの2径間連続非合成鋼箱桁橋で、昭和51年に架設(昭和47年道路橋示方書適用)されています。現在設計中ですが、急峻な崖地に沿って架設されている曲線橋(R=20)のため、難工事が予想されています。


橋梁一般図/P1橋脚断面図
丸山橋全景とロッキングピア(P1)
――塩害やアルカリ骨材反応などによる劣化は発生していますでしょうか
江連 塩害は国道120号・乳の木橋や栄橋といった県北山間地の橋梁で多く発生しており、冬季における凍結防止剤の散布による影響が原因と考えられます。おもに上部工で劣化が見られ、鋼橋は主桁の腐食や防食機能の劣化、コンクリート橋は主桁や床版の遊離石灰やはく離、鉄筋露出の損傷を受けています。対策としては、全般的に橋面防水工を施工し、鋼橋は塗替え、コンクリート橋は断面修復や表面被覆工を施工しています。
アルカリ骨材反応は、宇都宮那須烏山線・新冷子川橋など一部の橋梁で発生しています。上部工の主桁下面に橋軸方向のひび割れが発生していますが、損傷が大きくないため、橋面防水工を施工し、原因と考えられる橋面からの漏水を防ぐことで経過観察としています。

新冷子川橋でのアルカリ骨材反応
平成30年度の鋼橋塗替えは6橋12,000㎡を予定
耐候性鋼材採用の一部橋梁でⅢ判定、再塗装などの対策を検討
――鋼橋の塗替えについて、昨年度の実績を今年度の予定を教えてください
江連 平成29年度は真岡上三川線・鬼怒大橋(7,600㎡)など12橋で総面積19,000㎡を実施しました。平成30年度は竜舞山前停車場線・鹿島橋(1,900㎡)など6橋で総面積12,000㎡を実施予定です。
鬼怒大橋(施工前と施工後)
――塗替え時の基準は
江連 ケレンは鋼道路橋防食便覧に基づいて、現場環境などから工法を選定していますが、3種ケレンが多い状況です。塗装は重防食塗装系(RC-Ⅲ)の採用が多くなっています。錆転換型防食塗装のエポガードシステムなどを採用している橋梁もあります。
――PCB、鉛などの有害物を含有する既存塗膜の処理はどのようにされていますでしょうか
江連 事前に含有量調査を実施し、有害物が確認されれば原則湿式による作業を実施するなど、関係法令を順守し除去、処理をしています。
――耐候性鋼材の採用については
江連 採用橋梁数は把握していませんが、一部の橋梁では桁端部に悪性錆、層状剥離が発生しています。健全度判定区分がⅢ判定になっていますので、今後、再塗装などの対策検討を行っていきます。
(一)秋山葛生線・紅葉橋 耐候性鋼材の損傷
――支承や伸縮装置の取替えの実績および予定についてお教えください
江連 支承取替えは、平成29年度に下日向栗野線・象間橋(3個)で施工し、鋼製支承から鋼製支承に取替えました。平成30年度の施工予定はありません。
伸縮装置の取替えは、平成29年度に9橋施工しており、非排水化としています。平成30年度も同じく9橋の施工を予定しています。
のり面要対策箇所は1,410箇所、482箇所が未対策
対策完了区間では異常気象時通行規制区間解除の取り組みも行う
――異常気象による土砂災害が各地で生じています。このような状況に対してのお考えと具体的な対策を聞かせてください
江連 減災という観点から、防災上の拠点施設や避難所のネットワークを災害時に確保していくことが重要であると考えて事業を進めています。
平成29年度末時点で要対策箇所は1,410箇所あります。そのうち482箇所が未対策となっていますので、交通量や緊急輸送道路の有無、事前通行規制区間の有無などを考慮して、効果的・効率的に対策を進めています。
対策が完了した区間については異常気象時通行規制区間解除の取り組みも行っています。国道400号下塩原バイパスの整備事業でも触れましたが、那須塩原市塩原では要対策箇所の対策工事が完了して、通行規制基準以上の雨量時でも異常がなく、学識経験者などから安全性の見解を得ましたので、平成30年4月1日に規制区間4kmのうち0.5kmの規制解除を行いました。
那須塩原市塩原の要対策箇所(対策前と対策後)
新連城橋補修工事
PCグラウト未充填部補修で「リパッシブ工法」を採用
――保全における新技術・新材料の採用について
江連 国道293号・新連城橋の補修工事では、PCケーブルのグラウト未充填部の補修工法として、「リパッシブ工法」(株式会社ピーエス三菱)を採用しています。

新連城橋全景/PCケーブル腐食状況
従来のグラウト再注入工法では錆が残ったままで腐食の抑制効果が不十分でした。この工法は、グラウト注入前に亜硝酸リチウム水溶液を注入して腐食した鋼材を再不動態化し、その後に亜硝酸リチウムを添加した補修材を隅々にまで充填できることが特徴になっています。シース内に塩化物イオンが侵入してPC鋼材に腐食が生じている場合に、特に効果が高くなっています。補修工事は、平成29年度に一部施工し、今年度に残りを施工して完了する予定です。
コア削孔/亜硝酸リチウム水溶液注入
グラウト材注入
――ありがとうございました
(2018年11月27日掲載 聞き手=大柴功治)















