熱中症対策でドライクーラーを設置して足場内に冷風を送る
 熱中対策ウォッチ「カナリア」で個々の作業員の体調を管理
 本現場で課題のひとつとなったのが、熱中症対策だ。塗膜除去作業と素地調整の一部が、沖縄の梅雨が明ける7月から10月にかけての施工となり、ブラスト時の粉塵が足場内から外に飛散しないように足場内にシートを2重に敷設して密封性を確保したことから、高温多湿の作業環境になり、作業員の作業効率低下や熱中症の発生が考えられた。
 そこで屋部土建では、ドライクーラーを設置して足場内に冷風を送り、作業環境の改善に努めた。その効果は大きく、ドライクーラー稼働前の足場内の温度/湿度が29.1℃/82%、暑さ指数(WBGT)が厳重警戒の28.1℃であったのが、稼働1時間後には同28.6℃/72%、WBGTは警戒の26.8℃まで下げることができた。


熱中症対策としてドライクーラーを設置(左写真撮影=*)


ドライクーラー使用前(左)と使用後の暑さ指数などの変化
 さらに、作業員全員に腕時計型の熱中対策ウォッチ「カナリア」を配布した。熱中症リスクが予見される場合には事前にアラーム音と赤いLEDライトで警告するもので、アラームが鳴った作業員は水分補給や休憩をとる対策を実施した。「一律の休憩では個人差や体調に左右されるので、個々で管理できる方法を採用した」(同)とのことだ。
 このほか安全対策では、火災発生リスク低減のために養生シートに防炎シートを採用し、足場内にはLEDテープ照明を設置することで足場全体の照度を確保している。


作業員全員が熱中対策ウォッチを装着


防炎シートとLEDテープ照明
足場は工程に応じて臨機応変に対応できる単管吊足場を採用
 台風対策で支保材により足場の浮き上がりを防止
 足場は単管吊足場を採用している。本工事では地覆改造工で既存の地覆撤去を行うことから、撤去箇所からブラストなどによる粉塵流出の可能性があり、養生足場を設置する必要があった。そこで、工程に応じて臨機応変に対応でき、容易に設置が可能な単管足場とした。
 吊足場の安全対策では、台風の襲来が多い沖縄での工事であることから独自の対策も行っている。強風により吊足場が浮き上がり、チェーンが緩むことで落下することを防ぐため、足場内に鋼製支保材を準備しておき、台風の影響を受ける際には各箱桁の下フランジ両エッジ部に橋軸方向4m間隔で支保材を設置して、足場が浮き上がらないように固定することにしたのだ。7月の台風6号では2日ほど暴風域(名護市の最大瞬間風速40.7m/s)に入っていたが、まったく問題なかったという。



養生足場の施工状況/施工完了



台風対策で設置した支保材
塩害抑制および検査路として桁間にFRP防護板を設置
 A1側から敷設していき、本工事での設置面積は215㎡
 塗替え塗装完了後にはFRP防護板設置工を実施する。沖縄県では「沖縄地区鋼橋防食マニュアル」に記載されている飛来塩分防護板を新設橋梁、および塗替え橋梁の桁間に検査路も兼ねて設置し、多機能防食デッキによる環境改善の防食法は有効としていることから、近年採用が増えている。FRP防護板(宮地エンジニアリング)としたのは、軽量で後付け設置が容易であること、および経済性からで、沖縄県では2020年度に完成した下田原大橋(八重山土木事務所)でも採用されている。
 同防護板1パネルの標準サイズは橋軸方向600mm×橋軸直角方向2,300mmで、A1側から敷設していく。取付は下フランジのエッジ部にパネルを載せ、エッジ部から飛び出した形で設置する押えプレートとパネルを、シールスポンジを介してボルトで固定していく。各パネルは、ブラインドリベットとシールスポンジで固定し連結を行う。本工事での設置面積は215㎡となっている。


FRP防護板全体一般図と詳細図


下田原大橋での設置状況と設置後(八重山土木事務所提供)
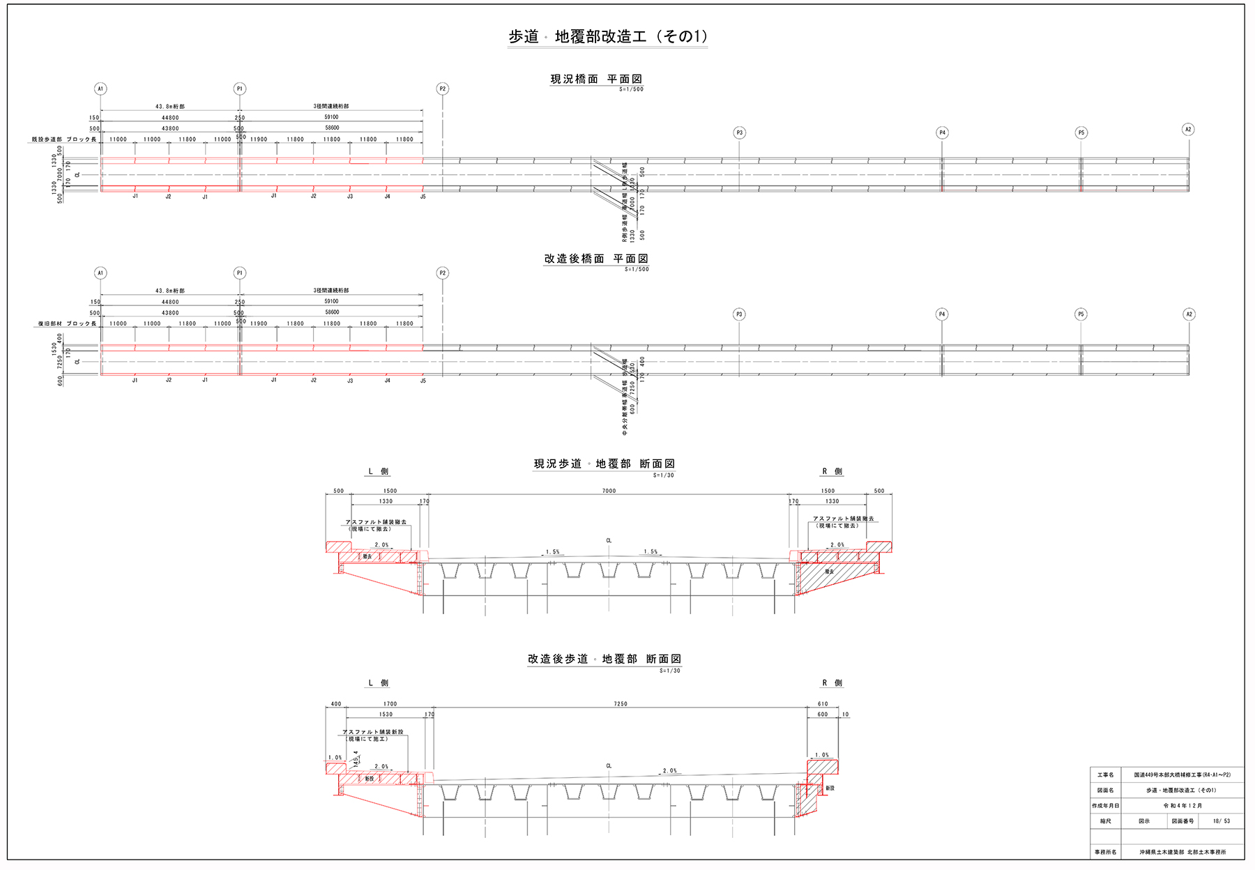
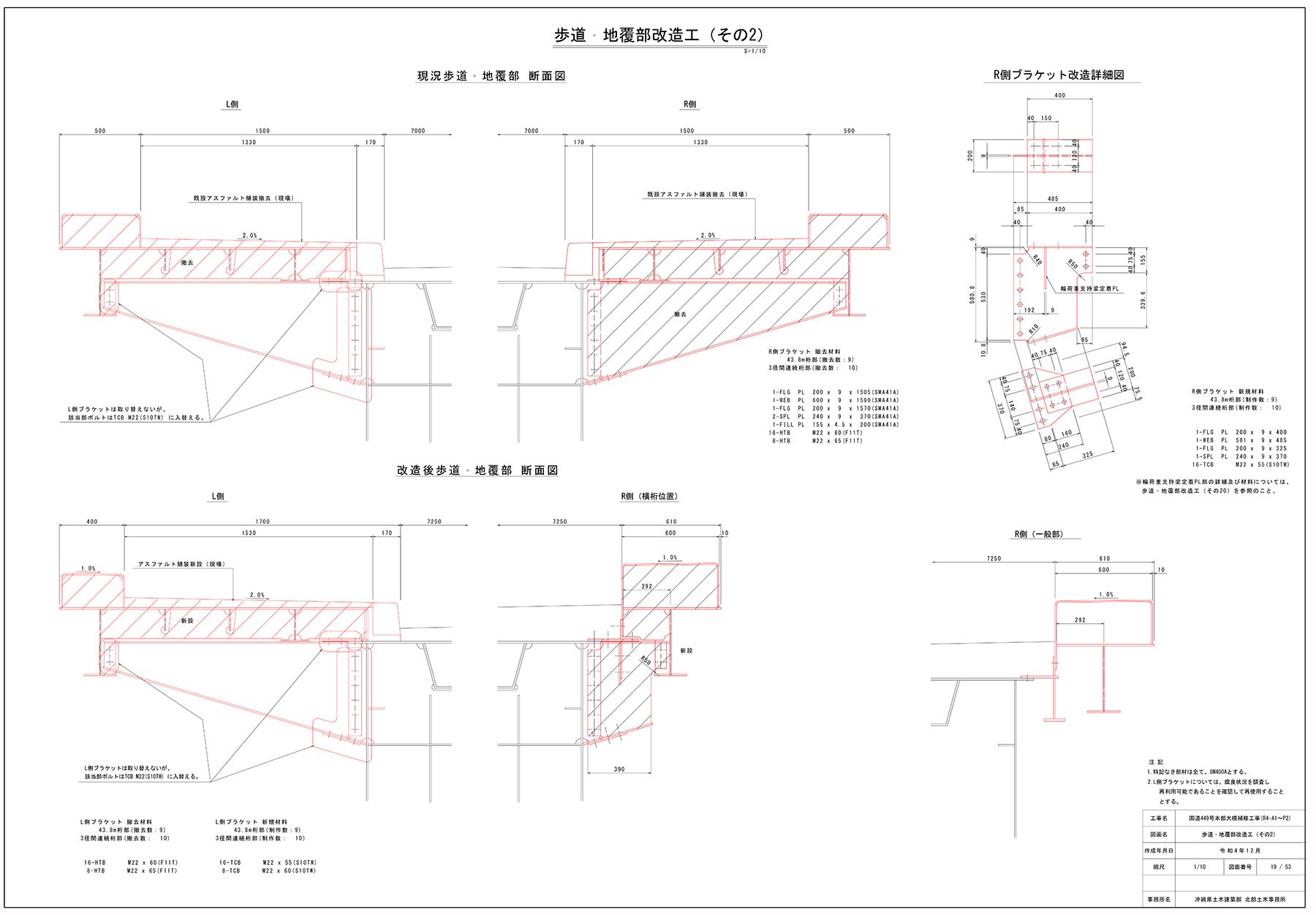
4車線化により陸側の歩道は撤去して地覆化、海側は歩道を拡幅
 高力ボルトは1479本をS10Tに取替え
 歩道・地覆部改造工は4車線化対応のために行う。現況では海側と陸側の両方に歩道があるが、4車線化により陸側(新本部大橋側)の歩道は不要になることから地覆化して中央分離帯とし、海側は歩道を若干拡幅するために歩道と地覆を再構築する。
 既設の鋼製歩道地覆は、両側とも歩道のアスファルトを撤去した上で、橋軸方向7~8mのブロックにガス切断し、25t吊クレーンで吊上げ撤去していった。その後、陸側についてはブラケットを撤去している。新設については、陸側は長さ400mmのブラケットを新たに取付けて、鋼製地覆を設置していく。海側は現段階では既設ブラケットを塗替えて活用することとしており、1ブロック約11mの鋼製歩道地覆を架設していく。


歩道・地覆部改造工全体一般図と詳細図



歩道・地覆部撤去前と撤去作業


撤去完了
歩道の防水工(195㎡)は塗膜系を予定している。高欄は、防食のために新本部大橋と同じアルミ合金製の防護柵(日軽エンジニアリング)を採用する。


新本部大橋の高欄
高力ボルト取替工は、全数が対象ではないが添接部で1本でもF11Tの遅れ破壊が発生していたら、添接部すべてのボルトをS10Tに取替えることとしている。2019年度の設計数量では1,422本を予定していたが、設計時よりも損傷が進展していることから、実際には1,479本を取り替える予定だ。
足場設置後の詳細調査で新たな損傷が判明
 対策検討・再設計で工期、費用に大きな影響も
 本工事では足場設置後の詳細調査で、下フランジエッジ部の孔食や対傾構とブラケットの著しい損傷、F11Tの腐食の進展などが新たに確認され、その対策検討が必要となった。その結果、工程が後ろ倒しとなり、2024年2月20日までの予定だった工期を延長せざるを得なかった。
 補修工事では現場着手してから追加設計や工事が必要になることがあり、「当初は部分調査による補修設計をもとにマニュアル作成を行い、次径間へ補修方法の適用が可能であれば流用したいと考えていた」(沖縄県)。しかし、「本橋は径間ごとに支間長や部材厚が異なり各径間で作用する応力が変化すること、特に応力が最大となる桁端部および支間中央部は孔食・板厚減少が耐荷力に大きく影響することから、腐食箇所ごとに最適な補修設計を行う必要があると判明した」(同)という。そのため、「今後施工する支間でも詳細調査、再設計が必要と考えられ、工期、費用に大きな影響が生じる」とのことだ。
 沖縄県でもDXを活用した点検精度の向上に取り組んでいるが、足場構築後に近接でしか板厚減少及び損傷の詳細な把握ができない現状を考えると、補修設計をどの段階で行っていくのかは今後の課題と言えるだろう。
設計は、ホープ設計。A1~P2工事の元請は、屋部土建。一次下請けは、沖縄装美工業(塗装・地覆防水工)、金秀鉄工(地覆・FRP防護板製作・地覆撤去・設置工・FRP防護板設置工・高力ボルト取替工)、ナミト工業(足場工)、本部造園(既設舗装版・境界ブロック撤去運搬工)など。
















