
ゲルバー及び橋脚有する3径間RCT桁を単純ポータルラーメンプレビーム合成桁へ
富山市 八田橋の架替えが最終盤
製作・施工
桁の製作・架設は、上流側から現橋を落とし、架替えていった。


上流側は昨年3月に供用している
現在は片側2車線の道路であり、上流が施工時は下流側、下流側施工時は上流側をそれぞれ対面通行にした。仮橋は架けるスペースがないため設置しなかった。具体的には①上流の上部工を撤去し、橋台を新設、②新しい上部工を架設、③下流の上部工を撤去し、橋台を新設、④新しい上部工を架設、⑤旧橋の下部工を撤去という流れになる。施工にあたっては、交通の切りまわしや渋滞を抑えるための信号プログラムの改良、中央部にある鉄道桁への影響の把握(鉄道桁から4㍍の離隔しかない箇所に橋台を新たに設けるため施工時・完成時に変位が生じないようにするための調査)など準備工を行った。
信号改良/道路切り回し/不明管の撤去
さて、現在の下流側の施工である。
施工はまず、上部工同様の準備工を行った後、基礎杭施工の時に邪魔になるA2側の不明管を撤去し、病院などが存在するA2側に施工時の騒音を抑制するための防音壁を設置した。
防音壁の設置
基礎杭はA2ついでA1の順に打設した。杭径はφ1,000で、長さは26.5~27mほど。これを橋台1つに付き8本施工した。施工方法はオールケーシングで先行掘削し、鉄筋かごを挿入、コンクリートを打設するというもの。騒音は先述の理由から70db以下にするよう注意を払っている。橋台2基合計1か月半で施工を完了した。
鋼矢板の圧入
基礎の施工
次に旧橋の桁撤去である。A2側はスペース的にクレーンを設置できないため、全てA1側に設置した360tオールテーレンクレーンによって吊りだす方法を採った。既設桁は湿式ワイヤーソーで1ブロック当たり6~10t程度に切断してクレーンで吊りだした。切断によって生じる濁水やガラは、桁下に設置した吊り足場上に養生シートを敷いて水を漏らさないようにし、ポンプで吸い上げて沈殿ろ過して処理した。施工は1か月程度を要している。
旧橋の撤去
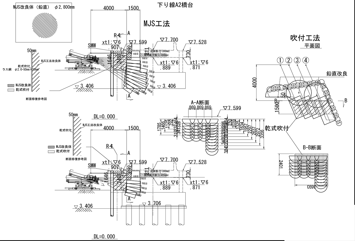
地盤改良工はメトロジェットシステム(MJS)工法を採用した。
A1、A2側の両サイドは矢板で縁切りできるが、既設のライトレール側とはクリアランスがないため土留めを施すことができない。ライトレール軌道への影響を防止するため、A1、A2の基礎地盤だけでなく、ライトレール直下の基礎地盤まで固める必要がある。
MJS工法の特徴は、排泥を強制的に専用管の中に吸引し、地表へ移送することにより地盤内圧力の管理に基づいて排出する排泥量を調整吸引することにより、噴射撹拌に伴う地盤の変状を抑制する工法だ。先端に地盤圧力を測るセンサーを付けてり、これにより噴射圧を調整して地盤の起伏をなくす。
MJS工法(鉛直改良)
施工はまず、φ2,800mmの鉛直改良を5本(造成長は最大約4m)施工する。その後、既設橋台を約2m掘削し、その(掘削した橋台の)上に、機械を据え付けて軌道直下に水平斜めにMJSのノズルを差し込みφ1,400mm(下半円)の改良体(造成長は最大2.7m)を施工する。改良体は27本に及ぶが、その半分近くの15本を道路橋台とLRTの境目に造成する。残り12本はLRT直下(造成長は約1.6m)を造成する。半円状の改良体はラップさせるため造成体積に対して施工本数が著しく多くなるが、軌道の許容変位±5mmに対して半分以下の±2mmに抑制することができた。同工程は慎重な施工が必要なため、両橋台合計で2ヵ月程度を費やした。

地盤改良計画図(拡大して見てください)


MJSの施工計画図(拡大して見てください)
MJS工法(下半円の改良体施工)


MJS工法で用いる多孔管(左)と特殊モニター(右)
下部工の施工と並行して桁製作を川田工業の南砺工場で進めた。架替えではプレビーム桁を採用している。材料発注は2018年10月に行い、実際部材が工場に入ってきたのは翌1月であり、6月まで製作期間に当てた(下り線は2016年10月に発注、翌1~6月に製作と期間はほぼ同じ)。同橋は7主桁で構成され、主桁1本あたりの重量は80t、桁重は(プレフレクションして下フランジへのコンクリート打設後の重量込み)で560tに達した。
さて、下部工の施工に再び戻る。杭を打設後、杭頭処理する。橋台は高さ4mであるが、まず下部2m部分について、RC構造で杭と接続するための台として先行打設した。上部2m部分は桁と剛結するためのH鋼で作られた支承を組み、その周囲に剛結用の鉄筋を配置する。桁架設前には、新しい橋台よりも河川側にある、架設に干渉しかねない古い橋台の一部をワイヤーソーで切断撤去した。
橋台の躯体工
旧橋台の撤去













