塩害やASRの疑いある橋梁対策も
北部国道事務所 名護東道路などの建設を進める

内閣府 沖縄総合事務局
北部国道事務所長
崎間 斉 氏
読谷道路 3橋および開削トンネルを一部着手
地層に不規則に脆弱部が存在するため施工には注意を要する
――読谷道路は
崎間 沖縄西海岸道路の一角をなす読谷村親志(おやし)~古堅(ふるげん)間の延長約6.0kmの道路事業です。これまでに親志~座喜味間(県道12号線~国道58号間)2.0kmの工事を進めています。同区間は山や谷があり起伏に富む地形で、構造物は橋梁と切土が中心です。2017年度に1号橋、2018年度に2号橋がそれぞれ完成しました。今後は3、5号橋の下部工を進めることにしています。

読谷トンネルの施工状況
中間部の喜名~大木間0.9kmについては、県道6号線に隣接する部分(大木側)で土地区画整理事業が進んでおり、区画整理事業と調整しながら事業を進めていく予定です。また、読谷補助飛行場跡地付近から県道6号までは高低差があるため、南側は掘割、北側は開削トンネル(構造物的にはボックスカルバート)で施工していきます。2016年度から着工し、整備を進めています。同地域は琉球石灰岩であり地層に不規則に脆弱部が存在するため、施工には注意が必要です。
――管内で最も特徴ある橋梁は
崎間 供用した金武バイパスの1号橋です。P7~A2間のみ鋼ローゼ桁を採用しています。
名護東道路 4号トンネルの施工はNATM+AGF
進捗によっては掘削方法の変更も視野
――今後、とりわけ困難な施工が予想される構造物について数カ所挙げて説明して下さい
崎間 名護東道路の4号トンネルの施工にあたっては、これまでの3本のトンネル工事によって蓄積されたデータなどから、周辺地域の沢水(轟川など)、地下水などの水質や水量への影響を把握することが重要になると考えることから、事前のモニタリングを行っています。基本はNATMで掘削しますが、坑口付近は軟岩が分布しており、補助工法(長尺鋼管フォアパイリング(AGF))を用いて慎重に施工する予定です。また、プレボーリングの結果、岩が想定より硬い可能性があります。名護東道路は重点事業であり、工期厳守を徹底する必要があることから、進捗によっては掘削方法の変更も視野に入れています。

4号トンネルはNATM+AGFで慎重に施工する
――鋼橋、コンクリート橋の防食上の工夫について
崎間 沖縄県は厳しい気象条件下にあることから、全国仕様より膜厚の大きい重防食塗装「沖縄地区鋼橋塗装マニュアル(案)」を採用し、厳しい塩害環境における鋼橋の合理的な維持管理に努めています。
また、コンクリート橋の塩害対策として、エポキシ樹脂塗装鉄筋や、プラスチック製シース(ポリエチレンシース)を基本的に採用しています。
コンクリート橋は塩分総量規制前に供用した橋梁で損傷
塩害による損傷が顕著、ASRの原因は不明
――管内の構造物保全を取り巻く状況について
崎間 沖縄は四方を海に囲まれ、夏は台風の常襲地、冬は強い北西の季節風と厳しい塩害環境にあり道路構造物は、塩害による劣化損傷が著しいのが特徴です。北部管内の橋梁においても、大部分が海岸に近い厳しい環境下にあり主に塩害によるものです。塩害原因は飛来塩分によるものですが、一部塩分総量規制前の海砂使用が原因のものもあります。塩害以外では、一部でアルカリ骨材反応による損傷もありますが、原因については不明です。
――全126橋のうち橋種別ではPC橋が圧倒的に多いですね
崎間 塩害が厳しいため、必然的に鋼橋よりコンクリート橋が多くなっています。年次別では本土復帰以降の橋梁が多くピークは1981~90年の34橋です。
橋長は100m未満が105橋です。最長は長堂橋で鋼トラス橋を含む橋長900mの複合橋です。国道329号世冨慶付近の東西海岸を横断する谷に架けられている橋梁です。


長堂橋
――トンネルは
崎間 9か所を管理しており、工種別は従来矢板工法が2箇所、NATM工法が7箇所です。80年代以降に建設されており、比較的新しいといえます。延長別は600m未満が6箇所で600m以上が3箇所です。最長は名護大北トンネルの1,976m(名護市)です。


名護大北トンネル
鋼橋 添接ボルトの腐食が顕著
PC 塩分総量規制前の建設は36橋、RC橋は6橋
――点検を進めてみての構造物の劣化状況は
崎間 鋼橋から申し上げますと、主な損傷は鋼桁の添接ボルトの腐食です。付着した飛来塩分が降雨により洗い流されにくい部位であること、また鋼材のエッジ部は塗装厚が薄くなりやすいことなどが要因と考えられます。
RC床版部については、ひび割れや漏水・遊離石灰などの損傷が目立っています。
PC橋の主な損傷は桁下フランジでのひび割れ、浮きがあります。海側からの飛来塩分が桁下を巻き込んで付着し、降雨でも流れにくいことが原因と考えられます。また、コンクリート塩分量規制前(1986年以前)に建設された橋梁も36橋(全体の28%、別表)あり、内在塩分が要因となるひび割れ、浮きが生じていると考えられます。加えて、ASRが発生している橋梁も確認されています。

1986年以前に建設されたPC橋一覧
RC橋の主な損傷は桁、地覆、橋台のひび割れ、浮き、剥離・鉄筋露出です。主な要因は塩害です。飛来塩分に加えて、コンクリート塩分量規制前に建設された橋梁も6橋(辺野喜橋(1973年建設)、許田新橋(上り)(75年建設)、許田新橋(下り)(同)、世冨慶橋(53年建設)、大川橋(58年建設)、東港橋(77年建設))あり、内在塩分が要因となるひび割れ、浮きが生じています。
トンネル 宜名真トンネルで縦断方向のひび割れ
――同様にトンネルは
崎間 在来工法については主な損傷部位は天端・アーチ部で浮きや剥落が見られます。
宜名真トンネルでは、施工時から変状発生、対策を行っています。経年劣化もあり縦断方向、横断方向にひび割れが確認できます。辺土名トンネルは、全体的に横断方向のひび割れの割合が多い状況です。
NATM工法で作られたトンネルの損傷は漏水によるものが専らです。主な要因としては、降雨による水位上昇や裏面排水工のつまりが原因と考えられます。
長寿命化 2019年度以降対策は6橋 1橋架け替え
喜瀬橋と仲泊大橋で大規模補修
――耐震補強および落橋防止装置の設置状況は
崎間 本線での耐震補強および落橋防止装置はすべて完了していますが、本線以外の側道橋で1橋、国道58号喜瀬橋側道橋が残っており、対策を行う予定です。本橋の隣には本線橋があることから、本橋における耐震性能としては、既設橋の耐震補強設計に関する技術資料より、「レベル2地震動に対して落橋等の甚大な被害が防止されるとみなせる耐震性能レベル」(耐震性能3)としています。
――橋梁の長寿命化修繕計画に基づいた対策の進捗状況は
崎間 管内の要対策箇所数は18橋です。うち2018年度までに12橋が対策完了しています。その内ASRによる損傷が見られた東港橋は2018年度に架け替えが完了しています。
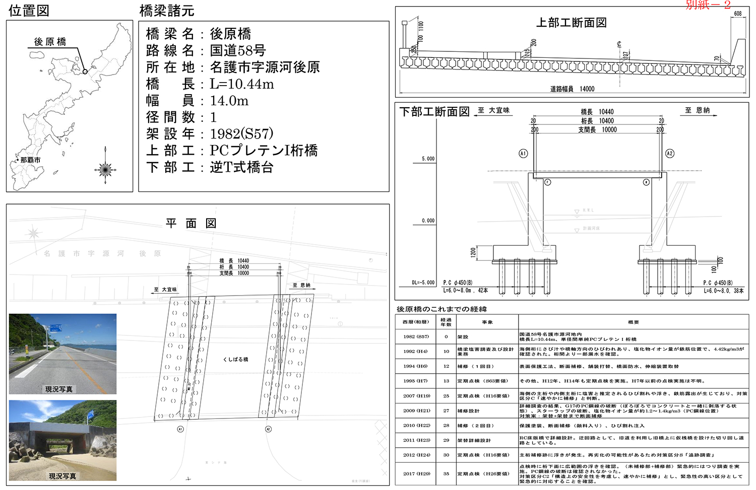
2019年度以降は6橋で対策を予定しており、うち国道58号後原橋(橋長10.4m、幅員14m、PC単純プレテンI桁)については架け替えを行う予定です。
――現在施工中の主な橋梁は
崎間 喜瀬橋と仲泊大橋があります。
喜瀬橋は1982年に供用した橋長90m、幅員12.5mのPCポステンT×3連桁です。塩害の進行により浮きや剥離、鉄筋の露出が生じているため断面修復、ひび割れ補修、シラン系含浸材(アクアシール1400)の塗布、橋面防水工の施工を行います。


喜瀬橋の損傷状況写真




喜瀬橋の補修状況写真
仲泊大橋は、添接部や端部の鋼材や高力ボルトの腐食、RC床版のひび割れなどの損傷が生じています。そのため、塗装の塗り替えや部分塗替え、高力ボルトの交換、床版の断面修復、ひび割れ注入、伸縮装置の交換などを行います。

仲泊大橋の工事概要









仲泊大橋の損傷状況写真
特徴としては高力ボルトに、長期耐久性を考慮して溶射ボルトを使っていることです。(NEXCO西日本が沖縄自動車道で使っているTAPS)溶射を用いた高力ボルトを採用しています。
塗り替え状況
溶射ボルト(TAPSボルト)への取替
添接部の塗装
後原橋を架け替えへ
PC鋼線位置で発錆限界値の塩化物イオン量を計測
――架け替えを予定している後原橋は
崎間 国道58号の海岸にほど近い名護市源河字後原にあるPC橋です。1982年に供用しましたが、1992年の時点で鉄筋位置の塩化物イオン量が4.42kg/㎥に達し、錆汁やひび割れを生じていたため表面保護や断面修復、床版防水などを行いました。その後は小康を得ていましたが、2007年の定期点検で、海側の主桁や内側主桁に塩害と推定されるひび割れや浮き、鉄筋露出が生じていました。2009年の詳細点検の結果、一部の桁でPC鋼線の破断(ぼろぼろでコンクリートと一緒に剥落する状態)、スターラップの破断、塩化物イオン量がPC鋼線位置で約1.2~1.4kg/㎥と発錆限界値に達していたことから架替の詳細設計を行うとともに架け替えまでは断面補修などにより延命策を採っています。

後原橋の橋梁概要と保全履歴

後原橋の損傷状況
――経年劣化や疲労に伴う損傷の有無、床版の損傷原因として防水工を施工していないことが散見されるが、その有無は把握しているか
崎間 疲労に伴う損傷はありません。管内の主な損傷は後でも申し上げますが塩害、ASRによるものです。
床版については著しい劣化が見られていないため、概ね施工済みとみています。今後は損傷が発生した箇所について詳細調査を行い、防水工を検討していきます。
――支承取替やジョイントの取替及びノージョイント化について2018年度および2019年度の予定は
崎間 2018年度は仲泊大橋と喜瀬橋で埋設型ジョイントの取替を行いました。2019年度は東寺川橋下り線のA1、P1、A2で低摩擦密閉ゴム支承版支承の取替、山田川橋下り線でP1上の荷重支持型鋼製ジョイントの取替、平南橋の歩道部で埋設型ジョイントの取替を行います。






















